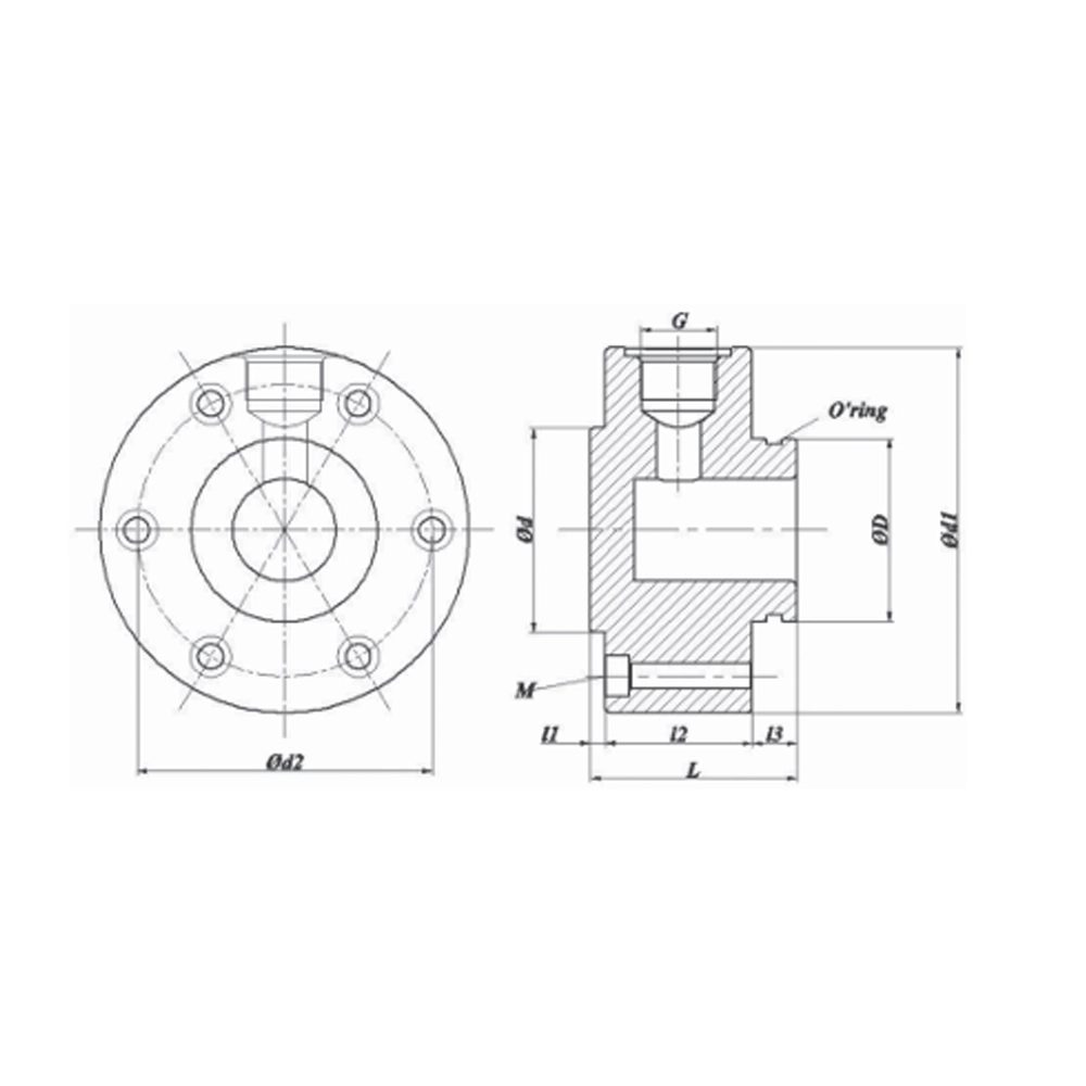
Hidrolik Silindir CETOP Ön Kafa, CETOP standartlarına uygun olarak üretilen ve hidrolik silindirlerin ön kısmını kapatan, montaj ve bağlantı noktalarını sağlayan özel silindir kafalarıdır.
| NO | Ürün Kodu Product code Код продукта |
D | d | d1 | d2 | L | l1 | l2 | l3 | G | M(Klavuz adedi) M (number of guides) M (количество направляющих) |
O-ring (70shr) O-rings O-образные кольца |
|---|---|---|---|---|---|---|---|---|---|---|---|---|
| 1 | ÇMS-CTP-AK-40 | 40 | 50 | 100 | 75 | 60 | 5 | 40 | 15 | R 3/8" | M8x6adet | 35,2x3 |
| 2 | ÇMS-CTP-AK-50 | 50 | 60 | 110 | 85 | 70 | 5 | 50 | 15 | R 1/2" | M8x6adet | 45x3 |
| 3 | ÇMS-CTP-AK-63 | 63 | 70 | 125 | 100 | 70 | 5 | 50 | 15 | R 1/2" | M8x6adet | 58x3 |
| 4 | ÇMS-CTP-AK-70 | 70 | 80 | 130 | 110 | 74 | 8 | 50 | 16 | R 1/2" | M8x6adet | 68x4 |
| 5 | ÇMS-CTP-AK-80 | 80 | 85 | 135 | 115 | 74 | 8 | 50 | 16 | R 1/2" | M8x6adet | 73x4 |
| 6 | ÇMS-CTP-AK-100 | 100 | 106 | 160 | 137 | 84 | 8 | 60 | 16 | R 3/4" | M10x6adet | 92x4 |
| 7 | ÇMS-CTP-AK-125 | 125 | 132 | 195 | 168 | 84 | 8 | 60 | 16 | R 3/4" | M12x6adet | 117x4 |
| 8 | ÇMS-CTP-AK-140 | 140 | 140 | 216 | 187 | 90 | 10 | 60 | 20 | R 3/4" | M14x6adet | 130x5 |
| 9 | ÇMS-CTP-AK-160 | 160 | 160 | 246 | 215 | 90 | 10 | 60 | 20 | R 3/4" | M14x6adet | 150x5 |
| 10 | ÇMS-CTP-AK-180 | 180 | 180 | 256 | 225 | 90 | 10 | 60 | 20 | R 1" | M14x6adet | 170x5 |
| 11 | ÇMS-CTP-AK-200 | 200 | 200 | 276 | 245 | 90 | 10 | 60 | 20 | R 1" | M14x8adet | 189,3x5,7 |
| 12 | ÇMS-CTP-AK-220 | 220 | 220 | 335 | 300 | 90 | 10 | 60 | 20 | R 1" | M14x8adet | 209,2x5,7 |
| 13 | ÇMS-CTP-AK-250 | 250 | 250 | 356 | 325 | 90 | 10 | 60 | 20 | R 1" | M14x8adet | 239,3x5,7 |