Ünite Bakım Kapağı Flanşları

Ünite Bakım Kapağı Flanşları


Ünite Bakım Kapağı Flanşları, Hidrolik ve mekanik ünitelerde bakım kapaklarını sabitlemek için kullanılan flanşlardır. Sağlam ve dayanıklı yapısı, güvenli montaj ve koruma sağlar.


SKU: 250 MM BAKIM KAPAĞI

Kategori: Hidrolik Ünite Bakım Kapakları ve Flanşları


Whatsapp Sipariş
NO Ürün Kodu
Product code
Код продукта
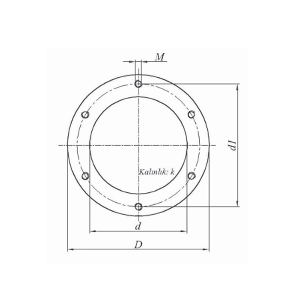
D d d1 k M Delik Sayısı
Number of Holes
Количество отверстий
1 250 MM BAKIM KAPAĞI
250 mm Maintenance Cover
Крышка для обслуживания 250 мм
250 175 230 12 M8 6
2 300 MM BAKIM KAPAĞI
300 mm Maintenance Cover
Крышка для обслуживания 300 мм
300 205 277 12 M8 8
3 350 MM BAKIM KAPAĞI
350 mm Maintenance Cover
Крышка для обслуживания 350 мм
350 240 323 16 M10 8
4 500 MM BAKIM KAPAĞI
500 mm Maintenance Cover
Крышка для обслуживания 500 мм
500 360 451 16 M12 8